Yüksek mukavemetli bir yüz projeksiyon kaynak cıvatası, metal tabakalara veya yapılara güçlü ve kolay bir şekilde bağlamak için yapılmış özel bir bağlantı elemanıdır. Metale dokunan yanda projeksiyonlar - genellikle halkalar veya küçük yumrular - vardır ve bunlar hassas boyutlara göre yapılır.
Kaynakladığınızda, çok fazla elektrik akımı bu projeksiyonlara odaklanır. Bu, metalin gerçekten sıcak olmasını, erimesini sağlar ve sonra soğuduğunda güçlü bir kaynak oluşturur. Bu kaynak, üzerinde çalıştığınız parçaya yüksek mukavemetli yüz projeksiyon kaynak cıvatasını sıkıca tutar.
Yüksek mukavemetli bir yüz projeksiyon kaynağı cıvatasının ana işi, ağırlık tutabilen kalıcı, iplik tabanlı bir bağlantı noktası oluşturmaktır. Kaynaklamak için özel projeksiyon kaynak ekipmanlarına ihtiyacınız var.
Elektrotlar aşağı basar ve cıvatanın projeksiyonları ve birlikte çalıştığınız metal parça aracılığıyla çok fazla elektrik gönderir. Kaynak cıvatasının yapma şekli sadece projeksiyonların erimesi anlamına gelir - daha fazlası değil. Soğuduklarında, güçlü bir metal bağı oluştururlar ve etrafındaki metal bükülmez veya çarpık olmaz.
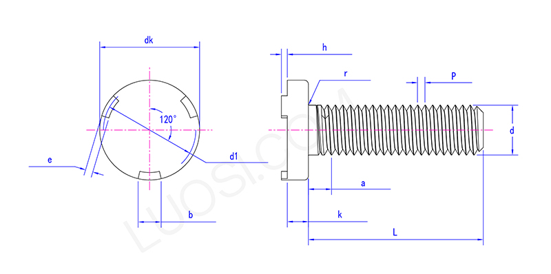
| Mon | M5 | M6 | M8 | M10 |
| P | 0.8 | 1 | 1.25 | 5 |
| DK Max | 12.4 | 14.4 | 16.4 | 20.4 |
| DK Min | 11.6 | 13.6 | 15.6 | 19.6 |
| K MAX | 2 | 2.2 | 3.2 | 4.2 |
| K Min | 1.6 | 1.8 | 3.2 | 4.2 |
| Ve Max | 2.25 | 2.75 | 2.25 | 2.75 |
| Em | 1.75 | 2.25 | 1.75 | 2.25 |
| b Maks | 3.3 | 4.3 | 5.3 | 6.3 |
| B MIN | 2.7 | 3.7 | 4.7 | 5.7 |
| H maks. | 0.8 | 0.9 | 1.1 | 1.3 |
| H Min | 0.6 | 0.75 | 0.9 | 1.1 |
| D1 Max | 10 | 11.5 | 14 | 17.5 |
| D1 Min | 9 | 10.5 | 13 | 16.5 |
| R Min | 0.2 | 0.25 | 0.4 | 0.4 |
| R MAX | 0.6 | 0.7 | 0.9 | 1.2 |
| Maks. | 3.2 | 4 | 5 | 5 |

Yüksek mukavemetli bir yüz projeksiyon kaynak cıvatası, kaynaklanan tarafta çok az yükseltilmiş parçalara (genellikle halkalar veya küçük ezikler) sahiptir. Kaynakladığınızda, çok fazla elektrik bu yükseltilmiş parçalara odaklanır. Elektrot aşağı basarken hemen ana metale karşı erirler.
Bu, cıvatayı iyi tutan güçlü, sıkı kaynaklar yapar. Sac metal işleri için harika çalışıyorlar.