Karbon çeliği sızdırmazlık yapan somunlar, ince plakaları veya tabaka metallerini bağlamak için kullanılan bir tür bağlantı elemanıdır. Karbon çeliğinden yapılmıştır, sertliği arttırmak için temperli ve söndürülmüştür ve yüzey galvanizlenir veya başka türlü korozyona dayanıklıdır.
Sızdırmazlık yapan somun oldukça basittir, standart pnömatik veya hidrolik klinikleme araçları kullanabilirsiniz. İşte böyle çalışır: İlk olarak, somunu önceden sarılmış bir deliğe koyun, ardından basınç uygulamak için bir yumruk ve kalıp seti kullanın. Die, sacın somunun klinik yakasının etrafına bastırır ve hızlı bir adımda katı bir mekanik kilit oluşturur.
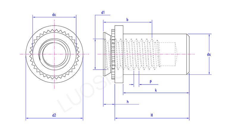
| Mon | M3-1 | M3-2 | M4-1 | M4-2 | M5-1 | M5-2 | M6-1 | M6-2 |
| P | 0.5 | 0.5 | 0.7 | 0.7 | 0.8 | 0.8 | 1 | 1 |
| DS Max | 3.84 | 3.84 | 5.2 | 5.2 | 6.35 | 6.35 | 8.75 | 8.75 |
| DC Max | 4.2 | 4.2 | 5.38 | 5.38 | 6.33 | 6.33 | 8.73 | 8.73 |
| B MIN | 5.3 | 5.3 | 7.1 | 7.1 | 7.1 | 7.1 | 7.8 | 7.8 |
| H maks. | 0.91 | 1.38 | 0.97 | 1.38 | 0.97 | 1.38 | 1.38 | 1.38 |
| H maks. | 9.85 | 9.85 | 11.45 | 11.45 | 11.45 | 11.45 | 14.55 | 14.55 |
| H Min | 9.35 | 9.35 | 10.95 | 10.95 | 10.95 | 10.95 | 14.05 | 14.05 |
| K MAX | 8.5 | 8.5 | 9.8 | 9.8 | 9.8 | 9.8 | 12.7 | 12.7 |
| D2 Max | 6.6 | 6.6 | 8.2 | 8.2 | 9 | 9 | 11.35 | 11.35 |
| D2 Min | 6.1 | 6.1 | 7.7 | 7.7 | 8.5 | 8.5 | 10.85 | 10.85 |
| D1 | M3 | M3 | M4 | M4 | M5 | M5 | M6 | M6 |
Karbon çeliği sızdırmazlık kaplama somunları anahtar ölçümleri ile tanımlanır: iplik boyutu (M4, M5, M6 veya 1/4 "-20 gibi), klinik yaka çapı, toplam yükseklik, sızdırmazlık yıkama boyutları ve (her ikisi de min ve maksimum) (her ikisi de min ve maks.
Klinik gücü (dışarı itilmeye veya bükülmeye ne kadar direniyorlar) endüstri standartlarına göre test edilir (ISO, DIN, IFI düşünün). Doğru boyutu seçmek çok önemlidir, contanın tutulmasını ve somunun iş için yeterince güçlü olmasını sağlar.
Karbon çeliği sızdırmazlık somunu takmak için, somunun boyutuna tam olarak uygun özel bir kliniş aracı ve kalıp setine ihtiyacınız vardır. İlk olarak, somunu sac metaldeki önceden sarılmış bir deliğe koyun. Ardından, araç kontrollü basıncı uygular, bu da somunun pilotunu ve knurl'u çevreleyen metale sokar. Bu soğuk oluşturan işlem, paslanmaz çelik somunu iyi bir şekilde yerine kilitler ve aynı zamanda yerleşik sızdırmazlık yıkayıcıyı panele karşı ezer. Bu fındıkları benzersiz kılan sızdıran sızdırmaz contayı bu şekilde yaratır.
