Pasla savaşmak ve yıpranmak için,göz cıvatası Özel kaplamalar veya tedaviler alın. Karbon çelik olanlar genellikle sıcak daldırma galvanizleme yapar-dış mekan veya nemli ortamlar için harika çalışan koruyucu bir katman eklemek için sıcak çinko içine batırılırlar. Elektrokaplama, genellikle iç mekan kullanımı için yeterli olan ince bir koruyucu tabaka oluşturur. Paslanmaz çelik doğal olarak mükemmel pas önleme özelliklerine sahiptir. Bununla birlikte, pas direncini daha da arttırmak için ek işlem adımları da gerçekleştirilir. Toz kaplama, sadece daha çekici bir görünüm sağlamakla kalmaz, aynı zamanda güneş ışığına maruz kalmaya karşı da koruma sağlar. Bu tedavi yöntemleri, daha uzun bir süre kullanılmalarına yardımcı olur ve sert koşullar altında bile sağlam kalır.

Göz cıvatasıGerçekten sağlam bir güç, esneklik ve güvenlik karışımı sunun. Tasarımları düz kaldırma veya açılı yükler için çalışır ve farklı malzemeler ve kaplamalarla her türlü duruma uyurlar. İster küçük bir DIY projesi ister büyük bir endüstriyel iş yapıyor olun, bunlar bir şeyler demirlemek için güvenilirdir. Sertifikalar, kaliteli oldukları anlamına gelir ve farklı boyutlara sahip olmak, ihtiyaç duyduğunuz şeyi fazla harcamadan alabileceğiniz anlamına gelir. İyi yapılmış ve kullanıcıları güvende tutmaya odaklandıkları için, cıvatalar her yerde profesyoneller için en iyi seçimdir-denge faydalı ve uzun ömürlüdür.

S: Yapıngöz cıvatalarıUluslararası güvenlik sertifikalarına uymak?
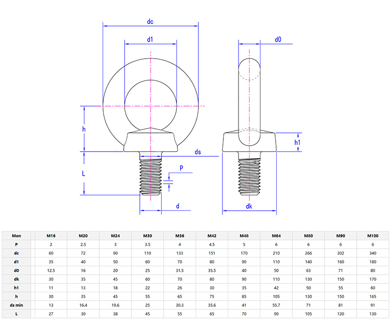
C: Evet, ürünümüz CE, OSHA ve ISO 17025 standartlarını karşılıyor ve bunları isterseniz test sertifikaları sağlayabiliriz. Yük testi, malzeme makyajının kontrol edilmesi ve boyutların doğru olduğundan emin olmak gibi kapsamlı kaliteli kontroller yapıyoruz. Kolayca izleyebilmeniz için özel etiketler (WLL ve parti numaraları gibi) ekleriz.
AB pazarı için bizimgöz cıvataları2006/42/EC Makine Direktifi kapsamındaki kuralları karşılayın ve çevre düzenlemeleri olan projeler için ROHS uyumlu kaplamalarımız var. Denetimlere hazır ve bölgenizdeki belirli uyumluluk ihtiyaçlarını karşılayan sertifikalı cıvatalar için bizimle birlikte çalışın.