Ev > Ürünler > Ceviz > T-somun > Ödünsüz T Stili Kaynak Somunları
        Ödünsüz T Stili Kaynak Somunları
        • Ödünsüz T Stili Kaynak SomunlarıÖdünsüz T Stili Kaynak Somunları
        • Ödünsüz T Stili Kaynak SomunlarıÖdünsüz T Stili Kaynak Somunları
        • Ödünsüz T Stili Kaynak SomunlarıÖdünsüz T Stili Kaynak Somunları
        • Ödünsüz T Stili Kaynak SomunlarıÖdünsüz T Stili Kaynak Somunları
        • Ödünsüz T Stili Kaynak SomunlarıÖdünsüz T Stili Kaynak Somunları

        Ödünsüz T Stili Kaynak Somunları

        Tavizsiz T tipi kaynak somunları, flanşları sayesinde kaynak kuvvetini ve sonrasındaki yükü daha geniş bir alana dağıtır. Xiaoguo®, endüstriyel bağlantı elemanları ve donanım çözümleri sağlamak için saygın üreticilerle işbirliği yapan özel bir ihracatçıdır.
        modeli:JIS B1196-3.1-1994

        Talep Gönder

        Ürün Açıklaması

        İnsanların tavizsiz T tarzı kaynak somunlarını kullanmalarının en büyük nedenlerinden biri, bunların çekilmeye karşı ne kadar iyi dayandıklarıdır. Büyük taban flanşı, kenetleme kuvvetini metal levha üzerinde büyük bir alana yayar, böylece tek noktada daha az gerilim olur.

        Tırtıklı bacaklar kaynak yapıldığında malzemeye saplanır, bu da eşleşen bağlantı elemanlarını sıktığınızda dönmelerini engeller. Bu stabilite ve dayanıklılık, onları önemli yapısal bağlantılar (titreşen, hareketli yükleri kaldırabilen veya çok fazla sıkıştırma kuvveti gerektiren bağlantılar) için iyi kılar. Diğer birçok seçeneğe göre daha iyi çalışırlar.

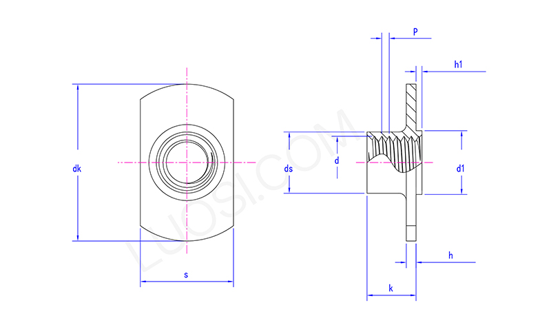
        Pazartesi M4 M5 M6 M8 M10 M12
        P 0.7 0.8 1 1︱1.25 1.25︱1.5 1.5︱1.75
        dk maks 23.7 24.7 27 29 33.2 37.2
        dk dk 22.3 23.3 25 27 30.8 34.8
        maksimum 12.25 12.25 14.3 14.3 19.4 21.5
        dakika 11.75 11.75 13.7 13.7 18.6 20.5
        dsmax 5.9 6.7 8.3 10.2 13.2 15.2
        dk. 5.4 6.2 7.8 9.5 12.5 14.5
        k maksimum 5.9 6.9 7.5 9 10.6 11.8
        bin dakika 5.1 6.1 6.5 8 9.4 10.2
        saat maksimum 1.4 1.4 1.85 1.85 2.3 2.3
        sa dk 1 1 1.35 1.35 1.7 1.7
        d1 maksimum 6.9 6.9 8.9 10.9 12.9 14.9
        gün1 dakika 6.7 6.7 8.7 10.7 12.7 14.7
        h1 maks 0.8 0.8 0.8 0.8 1.2 1.2
        sa1 dk. 0.6 0.6 0.6 0.6 1 1

        Ürün Avantajları:

        Ödün vermeyen T tarzı kaynak somunları imalatı çok daha kolaylaştırır. Karmaşık parçaları bir araya getirmeden önce, genellikle metal hala düz olduğunda veya ulaşılması kolay olduğunda, dişli uçları erkenden ekleyebilirsiniz. Bu, sürecin ilerleyen aşamalarında zorlu donanım kurulumuyla uğraşmanıza veya garip noktalara elle somun yerleştirmeyle uğraşmanıza gerek olmadığı anlamına gelir.

        Bunları kaynaklamak hızlıdır ve otomatikleştirilebilir, dolayısıyla robotik projeksiyon kaynak kurulumlarına tam olarak uyarlar. Tavizsiz T tarzı kaynak somunlarının kullanılması işçilik maliyetlerini azaltır, montaj sırasındaki hataları azaltır ve sac işlerinde tüm üretim sürecini hızlandırır.

        Uncompromising T Style Weld Nuts

        Ana Malzemeler:

        Standart Tavizsiz T-Stil kaynak somunlarımız karbon çeliğinden yapılmıştır. Her zamanki koruyucu kaplamalar, paslanmayı önlemeye yardımcı olan çinko kaplama (şeffaf veya sarı kromat) ve elektro-galvanizlemedir.

        Ayrıca zorlu ortamlarda paslanmaya karşı daha iyi direnç sağlamak için çoğunlukla 304 veya 316 paslanmaz çelik olanlarımız da mevcuttur. Bu şekilde dünya çapında her türlü kullanım için çalışırlar.



        Sıcak Etiketler: Ödünsüz T Stil Kaynak Somunları, Çin, Üretici, Tedarikçi, Fabrika
        İlgili Kategori
        Talep Gönder
        Lütfen sorgunuzu aşağıdaki formda yapmaktan çekinmeyin. 24 saat içinde size cevap vereceğiz.
        X
        Size daha iyi bir gezinme deneyimi sunmak, site trafiğini analiz etmek ve içeriği kişiselleştirmek için çerezleri kullanıyoruz. Bu siteyi kullanarak çerez kullanımımızı kabul etmiş olursunuz. Gizlilik Politikası
        Reddetmek Kabul etmek