Ev > Ürünler > Ceviz > Somunu El Vidası > Donanım Araçları Haddeleme Somunu
        Donanım Araçları Haddeleme Somunu
        • Donanım Araçları Haddeleme SomunuDonanım Araçları Haddeleme Somunu
        • Donanım Araçları Haddeleme SomunuDonanım Araçları Haddeleme Somunu

        Donanım Araçları Haddeleme Somunu

        Sistem uyumluluğunu ve güvenliğini sağlayın. XIAO GUO Donanım Araçları Yuvarlanan Somun CE sertifikalı ürün, sıkı standartları karşılar. Somunlarımız zorlu endüstriyel ortamlarda güvenilir, uzun süreli çalışma için tasarlanmıştır.

        Talep Gönder

        Ürün Açıklaması

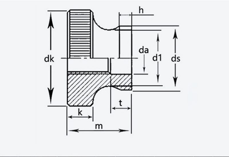
        Donanım araçları için Donanım Araçları Haddeleme Somununun özellikleri esas olarak iç diş boyutunu ve dış çapı içerir. Diş boyutları, ince sac montajında ​​en yaygın olan M2 ile M8 arasında değişir. Dış çaplar bu dişlerle eşleşir; daha küçük dişler daha küçük çaplarla birlikte gelir, böylece önceden delinmiş deliklere tam olarak otururlar. Sadece kullanacağınız cıvata boyutuna göre seçim yaparsınız.

        Kaliteler basittir: standart kalite ve yüksek mukavemetli kalite. Standart kalite, mobilya braketleri veya elektronik kasalar gibi normal görevler için uygundur. Yüksek mukavemetli kalite daha kalın malzemeden yapılmıştır; kaymadan daha fazla kuvvet taşıması gereken makineler veya parçalar için iyidir.

        Her somunun özellikleri ve derecesi ambalaj etiketinde işaretlenmiştir, bu nedenle doğru olanı seçmek kolaydır. Karmaşık kodlama yok, yalnızca temel sayılar ve kelimeler var. Donanım Araçları Rolling Nut'un teknik özellikleri ve kaliteleri, en yaygın sac işleme ihtiyaçlarını karşılar; ekstra şık seçeneklere gerek yoktur.

        Hardware Tools Rolling Nut

        Ürün kalite kontrolü

        Hammadde kontrolleriyle başlıyoruz. Her metal partisi çatlak, ezik veya zayıf noktalar açısından incelenir. Yalnızca nitelikli malzeme üretime girer; bu, kaliteyi aynı çizgide tutmanın ilk adımıdır.

        Üretim sırasında düzenli olarak nokta kontrolleri yapıyoruz. Önce iplik doğruluğuna bakıyoruz; cıvataları sıkı veya gevşek noktalar olmadan düzgün bir şekilde takmaları gerekir. Ayrıca standart spesifikasyonlara uyduklarından emin olmak için dış çapı ve kalınlığı da sık sık ölçüyoruz. Paslanmaya neden olabilecek ince kaplama veya gözden kaçan alanların olmadığından emin olmak için yüzey işlemi de kontrol edilir.

        Sevkiyattan önce, her partiden rastgele numuneler kurulum testlerinden geçirilir. Bunları sacın üzerine bastırıp kaymadan sağlam tutunup tutunmadığını test ediyoruz. Ayrıca yüzeyde çizik veya deformasyon olup olmadığını da kontrol ediyoruz. Donanım Araçları Rolling Nut, günlük montaj işlerinde iyi çalıştığından emin olmak için bu basit ama katı adımlardan geçer.

        Soru-Cevap Oturumu

        S: Kıyıdaki nemli bölgelerde kolayca paslanır mı?

        A:Yüzey işlemine bağlıdır. Çinko kaplı olanlar yüksek nemde 1-2 yıl sonra paslanabilmektedir. Sıcak daldırma galvanizli veya paslanmaz çelik olanlar kıyı bölgeleri için daha iyidir; tuz sisine ve neme 5-8 yıl dayanabilirler. Ürünleriniz dış mekanda kullanılıyorsa paslanmaz çelik Somun tercih etmenizi öneririz. Referansınız için korozyon direnci test raporları da sağlayabiliriz.  

        Hardware Tools Rolling Nut


        boyut Saha Dış çap Yükseklik k ds da d1 T h
        maksimum dk. maksimum dk. maksimum dk. maksimum dk. maksimum
        M3 0,5  11  10.7  6.64  2.8  5.7  3.5  3.2  5.2  1.2 
        M4 0,7  12  11.7  7.64  7.64  4.5  4.2  6.4  2.5  1.5 
        M5 0,8  16  15.7  10  96.6  10  9.64  5.5  5.5 
        M6 20  19.7  12  11.6  12  11.6  6.56  6.2  11  2.5 
        M8 1.25  24  23.7  16  15.6  16  15.6  8.86  8.5  13 
        M10 1.5 30 29.7 20 19.5 8 20 19.5 10.9 10.5 17.2 6.5 3.8
        Sıcak Etiketler: Donanım Aletleri Haddeleme Somunu, Çin, Üretici, Tedarikçi, Fabrika
        İlgili Kategori
        Talep Gönder
        Lütfen sorgunuzu aşağıdaki formda yapmaktan çekinmeyin. 24 saat içinde size cevap vereceğiz.
        X
        Size daha iyi bir gezinme deneyimi sunmak, site trafiğini analiz etmek ve içeriği kişiselleştirmek için çerezleri kullanıyoruz. Bu siteyi kullanarak çerez kullanımımızı kabul etmiş olursunuz. Gizlilik Politikası
        Reddetmek Kabul etmek