Ev > Ürünler > Ceviz > Somunu El Vidası > Yüksek Yaka Tırtıllı Haddeleme Somunu
      Yüksek Yaka Tırtıllı Haddeleme Somunu
      • Yüksek Yaka Tırtıllı Haddeleme SomunuYüksek Yaka Tırtıllı Haddeleme Somunu
      • Yüksek Yaka Tırtıllı Haddeleme SomunuYüksek Yaka Tırtıllı Haddeleme Somunu

      Yüksek Yaka Tırtıllı Haddeleme Somunu

      Kalıcı doğruluk ve desteğe yatırım yapın. XIAO GUO'nun dayanıklı Yüksek Yaka Tırtıllı Döner Somunu dayanıklılık için üretilmiştir. Ürünlerimizi, güven sağlayan ve toplam sahip olma maliyetinizi azaltan 2 yıllık sağlam Yüksek Yakalı Tırtıllı Döner Somun garantisiyle destekliyoruz.

      Talep Gönder

      Ürün Açıklaması

      Yüksek Yaka Tırtıllı Rulo Somunlar için siparişinizi verdiğinizde ücretsiz olarak sağlayabileceğimiz gümrük veya kendi kayıt ettirdiğiniz kalite kontrol belgesine ihtiyacınız olacaktır. Siparişinizi verdiğinizde ücretsiz olarak sağlayabiliriz. Sertifikanın süslü içeriği yoktur, yalnızca gerekli temel bilgiler vardır.

      Parti numarası, hammadde türü, yüzey işleme yöntemi ve önemli test sonuçları gibi ayrıntıları içerir. Bu testler, ilgili deneylerden elde edilen iplik doğruluğu, boyut tutarlılığı ve korozyon direnci verilerini kapsar. Her sertifikanın benzersiz bir izlenebilirlik kodu vardır; böylece orijinalliğini doğrulayabilir ve gerekirse test ayrıntılarını kontrol edebilirsiniz.

      Belge sade bir dil kullanıyor ve karmaşık teknik terimler içermiyor. Yaygın endüstri standartlarını karşılar ve çoğu uluslararası gönderide tanınır. Sipariş verirken ihtiyacınız olduğunu bize bildirin, biz de Yüksek Yaka Tırtıllı Rulo Somun teslimatınıza dahil edelim. Bu hizmet için ekstra ücret veya sıkıcı prosedürler yoktur.

      Ürün Kullanımları

      Esas olarak ince saclara ekstra somunlar olmadan dişli delikler eklemek için kullanılır. Bileşenleri cihaz kasalarına monte etmek veya metal panelleri bilgisayarlara ve yazıcılara sabitlemek gibi elektronik üretiminde bunu bulacaksınız. Burada çalışıyor çünkü aynı hizada duruyor ve cihazların içinde fazladan yer kaplamıyor.

      Mobilya montajında ​​da yaygındır. İşçiler bunu metal braketleri dolap çerçevelerine takmak veya çekmece kızaklarını metal raylara sabitlemek için kullanıyor. Küçük atölyelerde, alet kutuları veya güçlü, güvenilir bağlantılara ihtiyaç duyan metal raflar gibi özel metal levha projeleri için kullanışlıdır.

      Kendin Yap meraklıları da bunu metal bahçe aletlerini onarmak veya küçük metal el sanatları yapmak gibi işler için kullanıyor. İnce metalde dişli bir deliğe ihtiyaç duyduğunuz ancak kaynak yapmak veya büyük donanım kullanmak istemediğiniz her türlü iş için mükemmeldir. Yüksek Yakalı Tırtıllı Döner Somun, çoğu hafif ila orta sac sabitleme ihtiyacına uygundur, karmaşık aletlerle ekstra güçlük yaratmaz.

      High Collar Knurled Rolling Nut

      Soru-Cevap Oturumu

      S: Teslimattan sonra bazı ürünler arızalıysa ne olur?

      C: Öncelikle arızalı ürünlerin fotoğraflarını veya videolarını çekin ve teslim tarihinden itibaren 7 gün içinde bize gönderin. Sorunu hızlı bir şekilde kontrol edeceğiz. Üretimimizden kaynaklanan bir kalite sorunu varsa, ücretsiz olarak yedek parça göndereceğiz. Değişim kargo bedeli tarafımızdan karşılanacaktır. Her parti sıkı bir denetimden geçtiğinden bu tür sorunlarla nadiren karşılaşıyoruz, ancak kullanımınızı etkilememek için satış sonrası işlemleri uygun şekilde gerçekleştireceğiz.  

      High Collar Knurled Rolling Nut


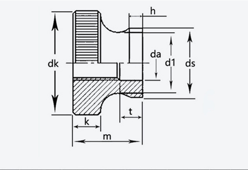
      boyut Saha Dış çap Yükseklik k ds da d1 T h
      maksimum dk. maksimum dk. maksimum dk. maksimum dk. maksimum
      M3 0,5  11  10.7  6.64  2.8  5.7  3.5  3.2  5.2  1.2 
      M4 0,7  12  11.7  7.64  7.64  4.5  4.2  6.4  2.5  1.5 
      M5 0,8  16  15.7  10  96.6  10  9.64  5.5  5.5 
      M6 20  19.7  12  11.6  12  11.6  6.56  6.2  11  2.5 
      M8 1.25  24  23.7  16  15.6  16  15.6  8.86  8.5  13 
      M10 1.5 30 29.7 20 19.5 8 20 19.5 10.9 10.5 17.2 6.5 3.8
      Sıcak Etiketler: Yüksek Yaka Tırtıllı Haddeleme Somunu, Çin, Üretici, Tedarikçi, Fabrika
      İlgili Kategori
      Talep Gönder
      Lütfen sorgunuzu aşağıdaki formda yapmaktan çekinmeyin. 24 saat içinde size cevap vereceğiz.
      X
      We use cookies to offer you a better browsing experience, analyze site traffic and personalize content. By using this site, you agree to our use of cookies. Privacy Policy
      Reject Accept