Ev > Ürünler > Vida > Diğer vidalar > Yaylı Vida
        Yaylı Vida
        • Yaylı VidaYaylı Vida
        • Yaylı VidaYaylı Vida
        • Yaylı VidaYaylı Vida
        • Yaylı VidaYaylı Vida
        • Yaylı VidaYaylı Vida

        Yaylı Vida

        Yaylı vidalar, otomotiv veya elektronik gibi titreşim direnci, termal genleşme telafisi veya kontrollü sıkma kuvveti gerektiren uygulamalarda sıklıkla kullanılır. Xiaoguo®, profesyonel hizmetler sağlayan profesyonel ekipmana ve profesyonel personele sahiptir ve tanınmış bir Çinli üreticidir.

        Talep Gönder

        Ürün Açıklaması

        Yaylı vida, daha iyi çalışması ve daha uzun süre dayanması için farklı gelişmiş yüzey işlemlerine sahiptir. Yaygın olanlar arasında pasla mücadele etmek ve daha iyi görünmek için bazen sarı, mavi veya şeffaf kromat pasivasyonuyla elektrolizle kaplanmış çinko bulunur. Ayrıca dayanıklı Geomet® (çinko pul kaplama olan Dacromet'e benzer), dayanıklı fosfat kaplamalar (yağı tutmak ve sürtünmeyi ayarlamak için manganez veya çinko fosfat gibi) veya süslü kuru film yağlayıcılar da mevcuttur.


        Paslanmaz Yaylı Vida genellikle doğal korozyon direncini artırmak için pasifleştirilir. Bu işlemler onları paslanmaktan korur, taktığınızda sürtünmeyi azaltır (böylece daha doğru kelepçe yükü elde edersiniz) ve hatta onlara belirli elektriksel özellikler bile kazandırabilir.

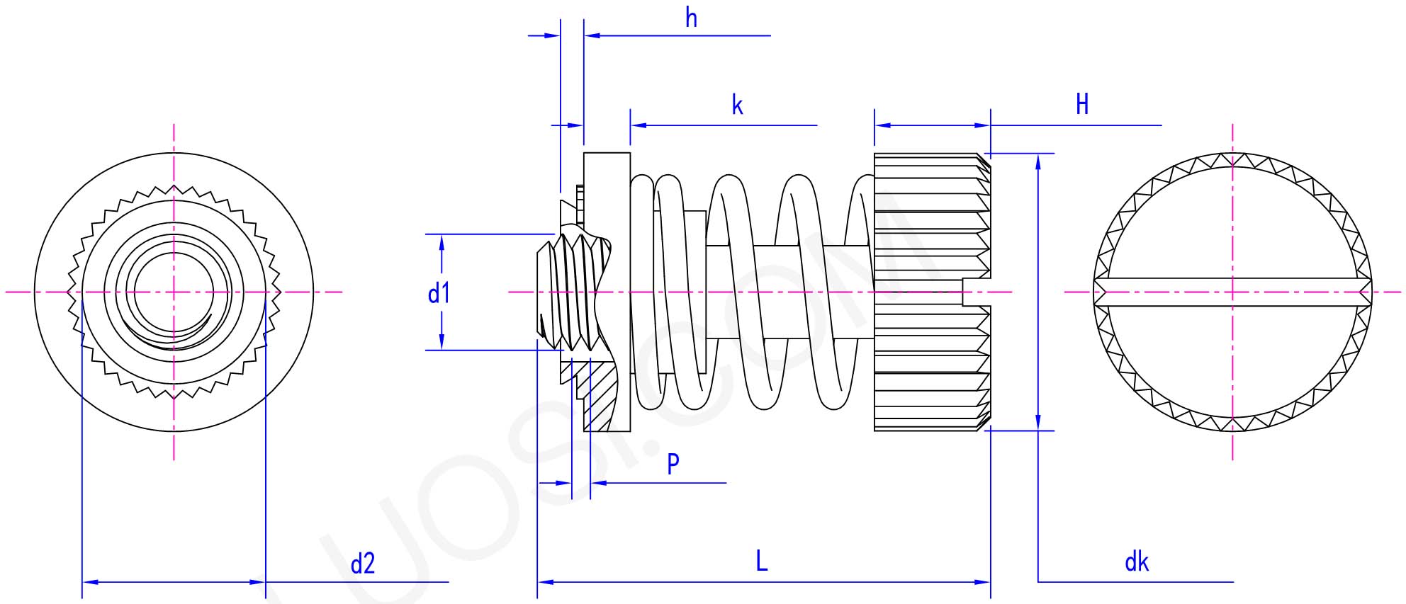
        Ürün parametreleri

        Pazartesi 440 632 832 032
        P 40 32 32 32
        d1 #4 #6 #8 #10
        d2 maksimum 0.202 0.218 0.249 0.311
        dk maks 0.416 0.448 0.478 0.54
        dk dk 0.396 0.428 0.458 0.52
        saat maksimum 0.038 0.038 0.038 0.038
        k maksimum

        0.128

        0.128 0.128 0.12
        k dk0,118 0.118 0.118 0.118 0.11
        Y maks 0.207 0.207 0.212 0.225
        saat dk 0.197 0.197 0.202 0.215




        Boyut

        Yaylı vida, farklı mühendislik ihtiyaçlarına uyacak şekilde tonlarca boyut ve türde mevcuttur. Metrik dişler için yaygın olarak kullanılan boyutlar ince diş M2'den M12'ye veya daha büyük boyutlara kadar değişir. Imperial boyutları #4 ila 1/2 inç arasında değişir. Uzunluklar uygulamada ne kadar derine inilmesi gerektiğine bağlı olarak büyük ölçüde değişir.


        Önemli özellikler arasında diş adımı, kafa stili (altıgen, flanş, düğme veya soket kapağı gibi), tahrik tipi (altıgen soket, Phillips, Torx®) ve yerleşik yay parçasının tasarımı (Belleville rondelası, dalga yayı veya belirli bir diş şekli düşünün) yer alır. Çoğu, DIN, ISO gibi standartları veya OEM'lerin gerektirdiği standartları takip eder.

        Spring Loaded Screw

        Kalite standartları ve endüstri sertifikaları

        S: ISO veya belirli sektör sertifikaları gibi uluslararası kalite standartlarına uygun mu?

        C: Evet, üretimi ciddiye alıyoruz. Yaylı vidalarımız, kalite kontrol için ISO 9001 gibi ISO standartlarına uyacak şekilde üretilmiştir. Sektöre özel sertifikalara ihtiyacınız varsa bunu da yapabiliriz; otomotiv için IATF 16949 veya havacılık için AS9100 gibi. Her parti için malzeme sertifikasyon raporları (MTC'ler) ve boyut kontrolleri sağlayabiliriz. Bu şekilde malzemelerin nereden geldiğini takip edebilir ve her şeyin projenizin özelliklerine uygun olduğundan emin olabilirsiniz.


        Sıcak Etiketler: Yaylı Vida, Çin, Üretici, Tedarikçi, Fabrika
        İlgili Kategori
        Talep Gönder
        Lütfen sorgunuzu aşağıdaki formda yapmaktan çekinmeyin. 24 saat içinde size cevap vereceğiz.
        X
        Size daha iyi bir gezinme deneyimi sunmak, site trafiğini analiz etmek ve içeriği kişiselleştirmek için çerezleri kullanıyoruz. Bu siteyi kullanarak çerez kullanımımızı kabul etmiş olursunuz. Gizlilik Politikası
        Reddetmek Kabul etmek