Ev > Ürünler > Kaynak > Kaynak vidası > Metrik Dişli Kaynak Vidası
        Metrik Dişli Kaynak Vidası
        • Metrik Dişli Kaynak VidasıMetrik Dişli Kaynak Vidası
        • Metrik Dişli Kaynak VidasıMetrik Dişli Kaynak Vidası
        • Metrik Dişli Kaynak VidasıMetrik Dişli Kaynak Vidası

        Metrik Dişli Kaynak Vidası

        Metal yüzeye kaynak yapmak için metrik dişli kaynak vidası kullanılır ve daha sonra diğer bileşenleri bağlamak için metrik dişler kullanılır. Xiaoguo® Şirketinin stoğunda yeterli miktarda mal stoğu bulunmaktadır. Metal imalatı, otomotiv panelleri veya endüstriyel çerçeveler için uygundurlar.
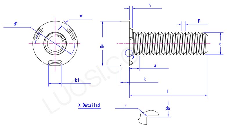
        modeli:DIN 34817-2001

        Talep Gönder

        Ürün Açıklaması

        Pazartesi
        M5 M6 M8 M10 M12 M14
        P
        0.8 1 1.25 1.5 1.5 1.5
        maksimum
        2.4 2.8 3.7 4.4 4.6 4.6
        dk maks
        10 12 16 20 24 28
        dk dk
        9.64 11.57 15.57 19.48 23.48 27.48
        gün1 dakika
        7.85 9.75 13.25 17.15 21.15 25.20
        d1 maksimum
        8.21 10.11 13.68 17.58 21.67 25.72
        saat maksimum
        0.8 0.8 1.2 1.4 1.6 1.6
        sa dk
        0.7 0.7 1.1 1.3 1.5 1.5
        k maksimum
        2.2 2.7 3.2 4.2 5 5.8
        bin dakika
        1.8 2.3 2.8 3.8 4.6 5.4
        dk.
        0.1 0.15 0.15 0.15 0.15 0.2
        e maksimum
        1.7 1.7 2.2 2.2 2.2 2.7
        e dk
        1.3 1.3 1.8 1.8 1.8 2.3
        b1 maksimum
        3.9 4.4 5.9 7.9 9.4 11.5
        b1 dk.
        3.1 3.6 5.1 7.1 8.6 10.5
        maksimum
        5.3 6.4 8.4 10.5 13 15

        Metrik dişli kaynak vidası iş parçasına kaynakla sabitlenir. Bu tip vidaların hem kafalı hem de kafasız stilleri mevcuttur. Dişe göre ayrıca dış dişli kaynaklı vidalar ve iç dişli kaynaklı vidalar olarak da sınıflandırılabilir. Spesifikasyonlar genellikle M5'ten M14'e kadardır.

        Weld screw with metric thread parameter

        Kullanılabilir

        Egzoz braketlerini onarmak için metrik dişli kaynak vidaları kullanılır. EğercıvataEgzoz braketinin delikleri aşınmış, bunlar kullanılarak tamir edilebilir. Çerçevedeki punta kaynak noktalarını temizleyin, vidaları takın ve pulların üzerindeki deliklerden punta kaynağı yapın. Braketi cıvatalarla sıkın. Yalnızca 3 dakika sürer ve yeniden delmeye veya dokunmaya gerek yoktur. Yol titreşimlerine gevşemeden dayanabilir.

        Konveyör braketlerini yükseltmek için metrik dişli kaynak vidası kullanılır. Mevcut konveyöre sensörler eklemeniz gerekiyorsa bunları kullanarak braketleri hızlı bir şekilde monte edin. M8 vidalarını gerekli çerçeve kılavuz raylarına kaynaklayın. Anahtar yapılarda delik açmaya gerek yoktur. Sensör braketi cıvatalarla doğrudan yeni dişe sabitlenir. Yenileme ve kurulum sırasında yeniden kablolama için gereken zamandan tasarruf sağlar.

        Kaynak vidaları hidrolik boruların montajında ​​kullanılır. Hidrolik hortum kelepçesini ekipmana sabitlemek gerekiyorsa bunları kullanmak sarsıntıyı önleyebilir. Çerçeve boyunca her 18 inçte bir M6 vidalarını kaynaklayın. Fikstür braketi cıvatalarla doğrudan vidaya sabitlenir. Sürekli titreşime sac vidalardan daha iyi dayanabilirler. Sürtünmeden dolayı hortumun yıpranmasını önleyin.

        Ürün Özellikleri

        Metrik dişli kaynak vidasının özelliği kaynak sabitleme yönteminin kullanılmasında yatmaktadır. Sıradan mekanik bağlantıyla karşılaştırıldığında kaynak, vidaların ve taban malzemesinin daha sıkı, neredeyse entegre bir bağ oluşturmasını sağlayabilir. Metrik dişlerin tasarımı, somunlarla veya iç dişli bileşenlerle rahatlıkla eşleştirilebilir ve gelecekte diğer parçaların montajını kolaylaştırır. Dahası, dişlerin boyutsal doğruluğu metrik standartlara uygundur ve bu da onu oldukça çok yönlü hale getirir.

        Sıcak Etiketler: Metrik Dişli Kaynak Vidası, Çin, Üretici, Tedarikçi, Fabrika
        İlgili Kategori
        Talep Gönder
        Lütfen sorgunuzu aşağıdaki formda yapmaktan çekinmeyin. 24 saat içinde size cevap vereceğiz.
        X
        Size daha iyi bir gezinme deneyimi sunmak, site trafiğini analiz etmek ve içeriği kişiselleştirmek için çerezleri kullanıyoruz. Bu siteyi kullanarak çerez kullanımımızı kabul etmiş olursunuz. Gizlilik Politikası
        Reddetmek Kabul etmek