içincıvata sabitlemeli kilitleme bileziğiİhtiyacınıza göre malzemeleri seçebilirsiniz. Zorlu işler için güçlü bir malzemeye ihtiyaç duyduğunuzda karbon çeliği (SAE 1070/1095 gibi) kullanılır. Paslanmaz çelik (AISI 304/316), eşyaların paslanabileceği veya paslanabileceği yerlerde iyi çalışır. Titanyum alaşımları, hafif ama güçlü olması gereken havacılık ve uzay malzemeleri için iyidir. Aşırı sıcak veya çok soğuk, aşırı sıcaklıkların olduğu durumlar için Inconel® gibi özel ürünler de mevcuttur.
Dayanıklı olduğundan emin olmak için her malzemeyi dikkatlice test ediyorlar; kırılmadan ne kadar esneyebileceğini (1500 MPa'ya kadar) ve zaman içinde ne kadar aşınmaya dayanabileceğini kontrol ediyorlar. Malzemelerin çeşitliliği, bu tutma halkasının çok soğuk yerlerden yüksek ısıya sahip fabrikalara kadar birçok farklı ortamda çalışabileceği anlamına gelir.
Bakımını yapmakcıvata sabitlemeli kilitleme bileziğicıvata sıkılığı, yüzey aşınması veya pas konusunda düzenli kontroller yapmak anlamına gelir. Bakım sırasında cıvataları üreticinin önerdiği torkla (genellikle 20-50 Nm) sıkın. Kalıntıları silmek için yumuşak temizleyiciler kullanın ve daha sonra sökmeyi kolaylaştırmak için dişlere bir miktar tutukluk önleyici gres sürün. Çatlaklar görürseniz veya halkanın şekli bozuksa değiştirin. Halkaları takmadan önce hasar görmelerini önlemek için sıcaklığı kontrollü, kuru bir yerde saklayın. Bu rutine ayak uydurmak onların en iyi şekilde çalışmasına yardımcı olur ve %30'a kadar daha uzun süre dayanmalarını sağlayabilir.

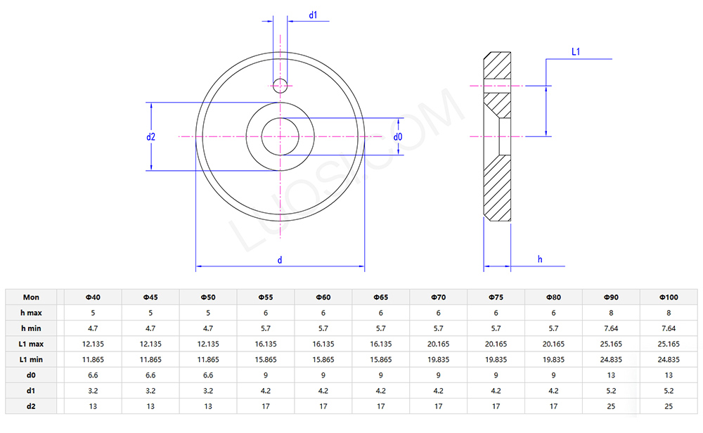
S: Bir parçanın doğru boyutunu nasıl belirlerim?cıvata sabitlemeli kilitleme bileziğişaft çapım için mi?
C: Doğruyu seçmekcıvata sabitlemeli kilitleme bileziğişaftınızın kalınlığına (OD) ve diş tipine bağlıdır. Şaftınızın kalınlığını ölçerek başlayın ve bunu üreticinin boyut kılavuzuyla karşılaştırın. Dikkat edilmesi gereken önemli noktalar: bileziğin iç boyutunun şaftın dişlerine, cıvata boyutuna ve bileziğin kalınlığına uygun olması gerekir. Şaftınız dişli değilse, önce dişli eklemeniz gerekir. Dişlerin metrik mi yoksa emperyal mi olduğunu her zaman iki kez kontrol edin; bunları karıştırmak baş ağrısına neden olur. Tek boyutlu şaftlar için özel bilezikler mevcuttur ancak bunlar ekstra zaman ve para gerektirir.
Cıvatayla sabitlenen kilitleme bileziklerimiz esas olarak karbon çeliğinden yapılmıştır. Bu malzemeyi, ürünün temel kullanım ihtiyaçlarını karşılayabilecek kadar iyi bir tokluğa ve aşınma direncine sahip olduğu için seçiyoruz.
Ürünler fabrikadan çıkmadan önce yüzeylerini pas önleyici tabaka ile kaplıyoruz. Bu işlem, nemli ortamlarda kullanıldığında veya uzun süre saklandığında tasmaların paslanmasını önler.
Daha iyi korozyon direncine ihtiyaç duyan müşterilerimiz için paslanmaz çelik gibi isteğe bağlı malzemelerimiz de mevcuttur. Ürünün malzeme kalınlığı standart yük taşıma gereksinimlerine göre tasarlandığından normal kullanım sırasında deforme olmaz veya kırılmaz.
Cıvata kısmı bilezikle aynı malzemeden yapılmıştır, dolayısıyla ürünün tamamı tutarlı performans ve stabiliteye sahiptir.
Cıvatayla sabitlenen kilitli tasmalarımızın nakliye maliyeti, onları nereye gönderdiğinize, hangi nakliye yöntemini seçtiğinize ve kaç adet sipariş verdiğinize bağlıdır.
Standart lojistikle giderseniz maliyet daha düşük olur ancak teslimat biraz daha uzun sürer; genellikle 3 ila 7 iş günü sürer. Acele siparişler için ekspres teslimatı seçebilirsiniz, ancak bu daha pahalıya mal olur. Kesin ekstra ücret, gönderinin ne kadar uzağa gitmesi gerektiğine bağlıdır.
Siparişiniz belirli bir miktara ulaştığında kargo ücretini sizin adınıza karşılıyoruz. Her ürün küçük ve hafif olduğundan, küçük partili siparişlerde bile çok yüksek kargo ücretleri alınmaz.
Herhangi bir şeyi göndermeden önce, nakliye sırasında hasar görmesini önlemek için tasmaları uygun şekilde paketleyeceğiz. Ve bu paketleme maliyeti zaten nakliye ücretine dahildir; bunun için fazladan ödeme yapmanıza gerek yoktur.
Tam nakliye ücretini öğrenmek istiyorsanız müşteri hizmetleri ekibimize sormanız yeterli. Bunu, özel sipariş ayrıntılarınıza göre hesaplayacaklar.
S: Cıvata Sabitlemeli Kilitleme Tasmanız için MOQ ve teslim süresi nedir ve toplu sipariş indirimleri sunuyor musunuz?
C: Cıvata Sabitlemeli standart Kilitleme Yakası için minimum sipariş miktarı (MOQ) 300 adettir ve normal siparişler için teslim süresi 7-10 iş günüdür. 5000 parçanın üzerindeki toplu siparişler için, tedarik maliyetlerinizi azaltmak amacıyla kademeli indirimler (%3–%10 indirim) sunuyoruz. Cıvata Sabitlemeli Özelleştirilmiş Kilitleme Yakası, numune doğrulama ve üretim planlama dahil olmak üzere 500 parçalık bir MOQ'a ve 12-18 iş günü teslim süresine sahiptir.